第
一章 总则
第一条 (制定目的和依据)
为加强本市城乡规划管理,保障城乡规划实施,根据《中华人民共和国城乡规划法》、《广东省城乡规划条例》和有关法律、法规,结合本市实际情况,制定本规定。
第二条 (规划区和适用范围)
国务院批准的江门市总体规划中规定的市区范围内城乡规划的制定、许可,应当遵守本规定。各县级市可参照执行。
第三条(坐标系统和高程系统)
本市制定城乡规划和实施规划管理应当采用符合规划管理要求的平面坐标系统和1985国家高程系统,属于独立坐标系统的应当与国家坐标系统相联系并应逐步实现统一。
第四条(城乡规划委员会制度)
本市实行城乡规划委员会审议制度。市城乡规划委员会具体的主要职能和构成,工作程序,委员的聘任资格、程序和责任应按《江门市城乡规划委员会章程》、《江门市规委会控规专委和环艺专委工作会议操作细则》的有关规定执行。
第二章 规划制定
第五条(五线)
在编制城乡规划时应当划定紫线(文物)、红线(道路或建设用地)、绿线(绿化)、蓝线(河道)、黄线(基础设施)等“五线”,并提出相关规划控制要求。规划区内的土地利用和各项建设应当遵守“五线”规划控制要求。
第六条(用地分类标准)
城市用地分类适用于各阶段的城乡规划和城乡用地统计工作。在本市进行规划编制及规划管理应符合现行《城市用地分类与规划建设用地标准》城市用地分类和代码的要求,按照旧版标准编制的已批项目重新编制或进行规划调整修改时应按新版现行标准编制,城乡规划主管部门应当组织编制新旧版标准对比表,供对照使用。
第七条(编制城乡规划应当具备的基础资料及勘察)
编制城乡规划应当具备土地利用规划、土地利用现状、生态环境现状、城乡规划工程地质勘察和城乡规划测量等必要的基础资料。城乡规划勘察和测量应当满足城乡规划编制和实施规划管理的需要,符合国家有关城乡规划工程地质勘察和测量规范的规定。
第八条 (草案公告)
城乡规划(包括总体规划、专项规划、控制性详细规划、特殊项目的修建性详细规划等)报送审批前,组织编制机关应当将规划草案在组织编制机关门户网站、江门日报、规划公示栏等予以公告,公告时间不少于三十日,必要时采取论证会、听证会或者其他方式征求专家和公众意见。法律、法规规定不得公开的内容除外。
第九条 (规划审查)
按规定需组织评审的城乡规划在批准前应当组织专家或委托规划编制单位以外的具有城乡规划编制资质的单位,对规划草案进行技术审查。
第三章 规划实施
第十条 (一书两证)
各项建设用地和建设工程应当符合城乡规划和土地利用总体规划,依法取得规划许可。
在本市区城乡规划区范围内的规划许可证包括建设用地规划许可证、建设工程规划许可证。
划拨用地项目应当先申请核发建设项目选址意见书,按程序办理相关手续后再申请办理规划许可。
第十一条 (批前公示、批后公告)
规划许可直接涉及申请人与他人之间利益变更关系的,在作出规划许可或审批决定前,应当将许可或者审批内容、申请人和利害关系人享有的权利等事项在城乡规划主管部门的门户网站、建设项目现场进行公示,公示期限不得少于十日。
经批准的规划许可或者审批事项和城乡规划应在城乡规划主管部门的门户网站、江门日报或规划公示栏、建设项目现场、可能直接受影响的建(构)筑物进行公告,公告期限不得少于七日,并在城乡规划主管部门门户网站和规划档案室提供批准的规划成果以供查阅。其中总体规划、控制性详细规划还应长期公布。
村庄规划的主要内容应当由村民委员会保存并在村庄公共场所公布以供村民查阅。
公示或公告内容包括:
1、建设项目选址意见书的核发;
2、建设用地规划许可证的核发及变更;
3、建设工程规划许可证的核发及变更;
4、规划条件的变更。
5、城乡规划(包括总体规划、专项规划、控制性详细规划、修建性详细规划等)。
第十二条 (许可失效)
关于规划许可的审批以及失效规定按照“《中华人民共和国城乡规划法》、《广东省城乡规划条例》第三十四条、三十七条、四十一条和有关法律、法规执行。
第十三条( 建设项目选址意见书)
建设单位取得市或区政府同意项目建设意见后,应向城乡规划主管部门申请核发规划选址意见书。城乡规划主管部门核发的建设项目选址意见书应当标明建设项目名称、建设单位名称、建设项目依据、建设项目拟选位置、拟用地面积、拟建设规模等基本情况以及附图,必要时同时提供规划条件以及建设项目所在行业主管部门意见。
第一节 建设用地
第十四条(建设用地规划许可证办理程序)
(一)划拨方式
以划拨方式取得国有土地使用权的建设项目用地,建设单位取得城乡规划主管部门核发的建设项目选址意见书后,经有关部门批准、核准建设项目可行性研究报告及用地预审报告后,建设单位方可向城乡规划主管部门提出建设用地规划许可申请,可同时报送建设工程总平面设计方案作为许可参考。
(二)出让方式
以出让方式取得国有土地使用权的建设项目用地,地块出让前,城乡规划主管部门应提供规划条件,作为国有土地使用权出让合同的组成部分;签订出让合同后,建设单位应向城乡规划主管部门提出建设用地规划许可证申请。
城乡规划主管部门对建设用地申请的事项、条件、内容进行审核,确认建设用地位置、面积、规划条件和相关控制要求后,核发建设用地规划许可证。
第十五条 (建设用地规划许可证的内容)
建设用地规划许可证一般包括建设项目名称、建设单位、建设用地使用性质、建设用地面积,附图应标注规划用地界限、规划用地面积、建设用地面积、规划条件等内容,必要时可以将审定的修建性详细规划或建设工程总平面设计方案图作为附件。
建设用地规划许可需提供审查材料详见附件一《用地规划许可需提供材料表》。
第十六条(建设用地规划意见书)
对部分已取得土地证的建设用地办理交易手续或经法院裁定办理过户等情况需征求城乡规划主管部门的建设用地规划意见,需提供审查材料详见附件一《用地规划许可需提供材料表》。
第十七条(建设用地使用性质的确定)
建设用地规划许可应当按照经批准的控制性详细规划确定建设用地使用性质,已批规划条件的按条件确定。建设用地兼容性应当按照控制性详细规划执行,控制性详细规划未作出规定的,可以按照附录十《关于规划土地使用兼容性的规定》执行。改变建设用地使用性质应当按照法定程序先申请调整控制性详细规划。
第十八条(规划用地界限的划定与面积)
建设项目规划用地界限应当按照统一规划、有利实施的原则,按照控制性详细规划的要求划定,具体以现状地形图、土地权属情况等城乡规划要求为依据。
规划用地红线面积包括建设项目可建设用地面积、道路面积、绿地面积以及除上述用地外必须实施整体拆迁或补偿的用地面积。规划用地面积应当在建设用地规划许可证中明确。
建设项目可建设用地面积是除道路用地等之外纳入容积率指标计算的用地面积,特别约定的出外。各类建设项目独立建设的用地规模由市城乡规划局综合考虑建设项目的性质、特点、有利于城乡规划统一实施和集约、节约使用土地等因素确定。
第十九条(用地规划条件的确定)
用地规划条件应当符合经批准的控制性详细规划。已制定修建性详细规划的,还应当符合经批准的修建性详细规划。
地块规划条件确定后在有效期内国有土地使用权未出让的,再次出让前,城乡规划主管部门应当根据规划变更情况重新确定规划条件。
所在地段尚无经批准的控制性详细规划的地块,因国家、省或市城市基础设施、文化、教育、体育、医疗卫生设施等公益性项目及其他重点项目建设需要使用土地的,应当委托具有相应资质的城乡规划编制单位进行规划条件论证。城乡规划主管部门应当根据上层次城乡规划和本规定,并结合建设项目论证的结果提出规划条件,按法定程序审批。规划条件论证应当包括以下内容:
(一)建设项目与城乡规划布局的协调情况;
(二)建设项目与交通(含道路、城市轨道、铁路、港口、航道、机场等)、能源、市政公用设施规划的衔接和协调情况;
(三)建设项目的配套生活设施与居住及公共设施规划的衔接和协调情况;
(四)建设项目对环境的影响,与环境保护规划的衔接和协调情况;
(五)建设项目与城市景观、气象勘察、微波廊道控制、防灾规划的衔接和协调情况;
(六)建设项目与风景名胜、公园绿地以及具有一定历史、科学、人文价值的文化遗产保护等规划的衔接和协调情况。
第二十条(建设用地规划条件的内容)
建设用地规划条件一般包括用地位置、用地性质、用地面积、建筑密度、容积率、计算容积率建筑面积、绿地率、建筑高度、建筑退让、停车配建、基础设施和公共服务设施配套、地下空间开发利用要求以及详细规划确定的其他要求等内容。
建筑面积计算应符合《江门市城乡规划局关于建筑工程建筑面积及容积率的计算办法》及《关于地下空间设计和容积率计算办法的补充规定》的规定。
第二十一条(居住用地)
居住用地容积率、建筑密度和绿地率应当符合附录一《关于居住用地开发强度的控制规定》有关规定。
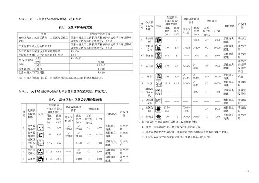
居住用地应当配套建设与社区管理、居住人口规模相适应的市政公用设施和公共服务设施,具体配建指标应按附录九《关于居住区和小区级公共服务设施的配置规定》的有关规定执行。
居住用地内独立用地的市政公用设施和公共服务设施建设除按规划条件、修建性详细规划或者建设工程总平面设计方案已确定的建设时序外,应当与首期开发项目同时报建,同时建设,并须建设完毕,取得《建设工程规划验收合格通知书》。
第二十二条(工业用地)
工业用地规划指标应当符合经批准的控制性详细规划,其余未具体制定指标的地块应按附录二《关于其他用地开发强度的控制规定》的有关规定执行。
第二十三条(商业服务业用地)
商业服务业设施用地容积率、建筑密度、绿地率以及其他配建要求应当符合附录表二《其他用地开发强度控制指标表》的有关规定。
第二十四条(城镇公共道路)
规划许可范围内道路划分为城镇公共道路和业主共有道路。除明确标注或特殊情况外,规划许可范围内规划道路均为城镇公共道路,任何单位和个人不得擅自封闭使用。
第二十五条(城镇公共绿地的界定)
规划许可范围内的绿地划分为城镇公共绿地、业主共有绿地和个人专有绿地。城镇公共绿地按照下列规定包括:
(一)依据控制性详细规划确定的城镇公共绿地。
(二)在规划条件中确定的城镇公共绿地。
(三)历史上或者现状是城镇公共绿地。
城镇公园绿地的面积及其起止计算应符合《城市居住区规划设计规范》的相关规定。宅旁绿地和天面绿化可以由建设单位和业主约定为个人专有绿地:
第二十六条(修建性详细规划的内容要求)
建设单位在报审修建性详细规划方案时,应依据有关技术规范,提供完整的规划方案成果,规划平面图纸应当真实、完整标注的内容及须满足的具体要求包括:
1、场地及四周的地形和地物测量坐标网、坐标值;土地权属界线、规划用地红线、建设用地红线及各个控制点的坐标和相互关系尺寸;场地现状及设计标高。
2、建筑物、构筑物(人防工程、地下车库、油库、贮水池等隐蔽工程以虚线表示)的位置,主要建筑物、构筑物的坐标和相互关系尺寸、退让距离、功能、名称(或编号)、尺寸、层数、高度、首层室内地坪设计标高等。
3、场地内人行系统和车行道路的布置,建筑物主要出入口及停车场(库)的出入口;场地外围及场地内各级道路的主要控制点坐标、标高、道路宽度和转弯半径;场地与城市道路衔接的出入口的路侧石线、宽度和转弯半径。
4、场地内外江河岸线、铁路、高压线、市政管线等的位置、主要控制点坐标及间距,以及其控制线的位置、宽度、控制点标高。
5、场地内绿地及绿化设施的具体位置和界线,以及边坡、挡土墙的具体位置。需要设置门卫的必须明确标示位置。
6、场地内与城市道路、广场等公共用地衔接的用地竖向标高原则上不低于公共用地标高的0.3米,不高于1.5米,且满足防洪排涝要求,与相邻地块及城市道路、广场、绿地相协调,有利于建筑布局及空间环境的规划设计。
7、风玫瑰或指北针、比例尺
8、建筑面积明细表或建筑一览表、主要技术经济指标表和公共配套设施明细表。
9、主要建筑基底和标准层投影平面。
第二节 建设工程
第二十七条(建设工程规划许可)
城乡规划主管部门审查申请者提交的全部资料是否符合法定资格,报送的资料、图纸、表格是否完备,是否符合申请建设工程规划许可证应有条件和要求。
建设工程规划许可需提供材料详见附件二《建设工程规划许可需提供材料表》。
第二十八条(建设工程设计方案审定和核发建设工程规划许可证)
城乡规划主管部门依法对建设工程设计方案进行技术经济指标分析比较和方案选择,根据有关规定征求并综合协调有关部门、利害人意见,进行规划会审,审定符合规划要求的建设工程设计方案,出具批准文件和盖章的建筑设计方案图纸,核发建设工程规划许可证。
第二十九条(建设工程规划许可的内容及依据)
建设工程规划许可一般包括建设单位、建设项目名称、建设位置、使用功能、计算容积率总建筑面积、建筑密度、建筑高度、建筑间距、临路退让、建筑立面设计、公共服务设施、停车配建、建筑景观和有效期限等内容。
规划许可的有效期限一般按照国土部门的土地出让合同约定执行。
建设工程规划许可应当以经批准的修建性详细规划或者建设工程设计方案总平面图为依据。
第三十条(建设工程设计方案的总平面图设计内容)
建设项目在报送建筑单体设计方案时,应在地块修建性详细规划的基础上进行综合性的场地深化设计,绘制场地总平面图,进一步明确标示场地内的建筑布局、单体建筑周边情况、道路、出入口、绿化、竖向、工程管线等内容,具体要求如下:
1、邻接城市道路、河道、山体、公园、广场等城市公共空间的建设项目,另行单独编制建设项目场地总平面图,与建设项目单体建筑设计方案一并报审。
2、大型物流、批发市场等建设项目须预留交通、人流疏散通道和货物装卸区域。
3、除前述条款规定以外的建设项目,修建性详细规划达到总平面设计深度要求的,可依据地块修建性详细规划平面图报审单体建筑设计方案。
第三十一条(
计算容积率总建筑面积)
计算容积率面积须不大于规划条件确定的计算容积率面积。建筑面积计算办法应按《江门市城乡规划局关于建筑工程建筑面积及容积率的计算办法》及《关于地下空间设计和容积率计算办法的补充规定》的有关规定执行。
第三十二条(建筑工程使用功能)
建筑工程使用功能应当符合建设用地的规划条件和建筑设计规范要求。对使用功能的表述应当准确、规范、涵义明确。
对已办理房地产权证而产权证未明确载明使用功能的建筑物,其使用功能应按照建筑物所在地块在城市总体规划或控制性详细规划中的用地功能进行相应落实。
第三十三条(建筑工程的高度控制)
建筑工程的高度应当符合各相关专业管理要求,并结合建筑间距、容积率、建筑密度和城市景观要求综合确定。重要地区对建筑工程的高度有特殊要求的,应当符合有关的特殊规定。
建筑高度控制须满足微波通道、气象探测等特殊要求。
一般要求按附录五《关于建筑高度的控制规定》执行。
第三十四条(建筑工程的建筑间距控制)
各类建筑工程的建筑间距应符合国家消防、卫生、日照(居住建筑还应满足大寒日3小时、冬至日1小时)、环保、工程管线等相关规范的要求及传统风貌、历史文化建筑保护等特殊要求,还应满足下述规定:
(一)城镇住宅之间的建筑间距按照附录四《关于居住建筑间距的控制规定》执行。
(二)医院病房楼、休(疗)养院住宿楼、中小学、幼儿园、托儿所生活用房或者老年人居住建筑应同时满足大寒日、冬至日要求。
(三)对于超高层建筑和其他特殊情况的开发建设项目,若按第(一)款要求确实难以满足其建筑间距控制要求时,通过使用符合规范要求的日照分析专业软件进行日照分析,在满足日照标准等强制性规范要求的前提下,确定实际的退缩间距要求。
(四)工业建筑
工业建筑物高度小于18米的按满足管线要求且不少于6米计算,高度在18-24米的按0.6H控制厂房间距,高度大于24米的按国家相关规范要求执行。
第三十五条(建筑退让控制)
建筑工程临城市规划道路、蓝线、绿线的建筑退让应符合附录六《关于建筑工程临规划城市道路、蓝线、绿线的退让(D)规定》。
建筑工程除满足上述的退让距离规定外,建设用地红线为两地块分界线,北面被遮挡建筑为居住建筑的则后退用地分界线不少于10米,其他用途的建筑及其他朝向退让距离则须符合国家有关卫生、防火、日照等间距要求。
建筑工程的退让同时还应当符合公路、消防、环保、风景名胜区和水源保护区保护、防汛、交通安全、安全生产和城市景观等方面的要求。
建筑工程退让范围只得用作绿化、人流集散、停车及市政管线埋设用地,并与人行道统一规划设计。绿化建设应当符合城市绿化管理的有关规定。
第三十六条(建筑面宽)
居住建筑沿城市道路的建筑物裙房累加面宽之和不应大于建设用地边长的3/4,塔楼总面宽不应大于该边长的60%。单幢建筑物塔楼面宽不宜大于65米。
第三十七条(停车配建)
凡新建、改建、扩建建筑物,应当按照有关法律、法规、规章和技术标准配建停车场。商业设施、文娱场所、医院、中小学校、交通枢纽等其他重大建设项目,应当根据具体情况增配符合城乡规划、道路交通管理要求的装卸货泊位、出租车和小汽车上下客泊位、旅游巴士或者救护车停车位。
工程停车配建标准满足国家、省和市的有关规定外,并按附录七《关于停车场(库)配建停车位的规定》执行。
第三十八条(建筑工程景观控制)
建筑工程建设应当符合下列城市景观和环境建设规定:
(一)城乡规划主管部门应当组织编制城市重要地区的景观规划设计或城市设计,经批准后纳入控制性详细规划中。在该地区的建设活动应当符合景观规划或城市设计的要求。
(二)建筑工程的总平面图和设计方案应当包括建设场地环境设计的内容。建设场地环境设计应充分考虑地形特点,合理规划设置绿地、水体、铺地和景观小品等景观元素,创造适宜的人居环境。
(三)建筑工程的立面、体量、体型、风格、色彩等应当与周边建筑、生态、人文等环境相协调,并符合城乡规划的要求。对于城市标志性建筑工程、位于城市重要地段的建筑工程,必要时要组织专家论证。
(四)新建、改建、 扩建建筑工程宜实施天面、平台等立体绿化并配套灌淋系统。周边环境及绿化应与主体建筑工程同时设计、同时建设、同时验收和投入使用 。
(五)公共建筑应在主入口设置绿化休闲广场,广场应设置绿化、建筑小品、休息座椅、广场灯及夜景照明系统等配套设施。
(六)与城市道路、广场等公共空间衔接的建筑工程场地的铺设材质及形式应当互相协调,并应与绿化、建筑小品等同步设计、同步建设、同步验收和投入使用。
第三十九条(辅助性建构筑物)
值班室、岗、亭和围墙、大门(门楼)等辅助性建(构)筑物应当符合城市景观、建筑退让、市政管线、道路交通、消防安全及其他有关规范的规定。
第四十条(紫线范围内的建设控制及近现代优秀建筑的保护)
紫线范围内的各项建设应当符合《中华人民共和国文物保护法》、《历史文化名城名镇名村保护条例》、《城市紫线管理办法》和《江门市城市紫线规划》等相关法律、法规、规章和保护规划的相关规定,遵循维护历史遗存、改善基础设施、提高环境质量的原则。
经市、区政府确定的近现代优秀建(构)筑物及其他具有一定历史、科学、艺术价值的、反映城市历史风貌、近现代华侨建筑和地方特色的历史建筑,特别是具特色的骑楼建筑和岭南建筑,应划入紫线范围进行保护。
第四十一条(蓝线控制带建设要求)
蓝线(水域保护)范围内的各项建设应当符合《中华人民共和国水法》、《城市蓝线管理办法》、《江门市城市蓝线规划》、《江门市主城区水域保护与利用管理规定》等相关法律、法规、规章和保护规划的规定,紧邻蓝线建设的建筑退让应该符合附录六《关于建筑工程临规划城市道路、蓝线、绿线的退让(D)规定》。
第四十二(绿线控制带建设要求)
绿线包括山体保护范围内的各项建设应当符合《广东省城市绿化条例 》、《城市绿线管理办法》、《江门市城市绿线管理办法 》、《江门市城市绿线规划(一期)》、《江门市城市绿地系统规划》、《江门市区山体保护与利用规划》和《国家生态园林城市分级考核标准》等相关法律、法规、规章和保护规划的规定,紧邻绿线建设的建筑退让应该符合附录六《关于建筑工程临规划城市道路、蓝线、绿线的退让(D)规定》。
第四十三条(危房工程)
已鉴定为危房的建筑应优先考虑维修加固,必须重建的,原则上按原地原面积进行重建,建筑形式须与周边协调,风格一致。
第四十四条(临时建设工程)
严格控制临时建设工程。审批临时建设工程应当符合下列规定:
(一)临时建设工程不得影响近期建设规划或者控制性详细规划的实施以及交通、环境、市容和安全。
(二)除建设城乡基础设施、市政公用设施、公共安全设施和防灾减灾工程外,临时建设工程的层数(含夹层)一般不得超过2层,建筑高度一般不得超过7米。
城乡规划主管部门应当建立临时建设工程审批档案,对临时建设工程实施动态跟踪管理。
第三节 市政工程
第四十五条(道路交通工程)
江门市区城市道路分为快速路、主干路、次干路、支路。
(一)快速路:采用全部或部分封闭式,不得设置直接通向快速路的路口。进入快速路的道路出入口的距离宜大于1公里,快速路与高速公路、快速路和主干路相交时,采用立体交叉并考虑设置行人过街天桥或隧道。
(二)主干路机动车与非机动车应分道行驶,交叉口之间机动车与非机动车的分隔带宜连续。
(三)次干路与主干路连接组成道路网,广泛连接城市各功能区和集散交通作用,兼有服务功能。
(四)支路为次干路与街坊路的连接线,原则上不能直接通到主干路。
第四十六条(城市道路网密度要求)
城市道路网密度按照国家规范要求,快速路0.4—0.5 km /平方公里,主干路0.8—1.2 km /平方公里,次干路1.2—1.4 km /平方公里,支路1.2—1.4 km /平方公里。
主城区规划的公共交通线路网的密度,应达到3—4km/平方公里;各镇应达到2—2.5km/平方公里。
在城市道路围合的住宅区中,不同权属且均大于3公顷的两地块间应设置不少于7米的城镇公共道路。
第四十七条 (慢行道规定)
紧邻城市主次干路的退让范围内宜按绿道要求设置慢行道,慢行道应达到的林荫路的标准(绿化覆盖率 90%以上)。其中建筑退让城市道路10米以上的路段,控制退让范围内的总面积不变且保证局部路段退让不少于5米后,在原5-10米范围内退让的用地可按要求集中设置街头绿地或开敞空间。
第四十八条 (道路交通工程的建设规定)
道路交通工程的建设应当符合下列规定:
(一)城市道路,其机动车道通行净高原则上不得小于4.5米,人行道通行净高不得小于2.5米。
(二)支路应当与支路、次干路相接,确需与主干路相接的,应当组织右进右出交通。
(三)立交控制范围内除建设城市基础设施外应当进行绿化。
(四)严格控制与城市快速路交汇的道路数量;快速路两侧公共建筑的车辆出入口应通过辅道联系主车道;主干路两侧不宜设置公共建筑的车辆出入口。
(五)靠近交通干道的大型公共建筑物或者对城市交通产生较大影响的建设项目,并根据建设项目交通影响评估的意见完善交通设施。一般应在用地周边次干路及支路上开设车辆出入口。
(六)城市停车场(库)应当遵循以配建停车为主、公共停车场为辅、路边停车为补充的原则,城市建筑物配建停车指标应当符合附录七《关于停车场(库)配建停车位规定》执行。不得在主干路以上级(含主干路级)的城市道路上设置路内停车位。次干路应当适当控制设置路内停车场。
(七)停车场(库)出入口应当设置缓冲区间,缓冲区间和起坡道不得占用道路红线,闸机不得占用道路红线和建筑退让范围,严格控制直接正对城市快速路、主干路设置停车场(库)出入口。
(八)新建、改建主、次干路应当同步设置公共交通港湾式停靠站,并配套建设供电及通信管线 。
(九)市公交交通规划中规划有公交专用道和发展大、中运量快速公交系统的路段,应当按照规划要求预留控制公交廊道、车站以及附属设施用地。
(十)沿人行道设置行道树、公共交通停靠站(亭)、垃圾回收箱和自助式公用电话亭等设施时,不得妨碍行人的正常通行及交通视线,不得遮挡路灯、交通信号灯、交通标志等交通设施。交通信号灯、交通标志牌、路灯等设施在古河国家标准前提下,应当采用共杆的方式设置。
(十一)人行天桥或者隧道的步梯出入口应当结合步行交通系统合理设置。与新建道路同步建设的人行天桥或者隧道的步梯出入口原则上不得占用市政人行道。
(十二)立交桥、人行天桥、河道桥梁等应实施立体绿化,并配套灌淋系统。立体绿化与主体工程同时设计、同时建设、同时验收和投入使用 。
(十三)配建停车场、公共停车场应达到林荫停车场的标准。
第四十九条 (城市轨道交通)
城市轨道交通的建设应当符合《城市轨道交通工程项目建设标准》规定。
(一)紧邻城市轨道控制保护地界进行新建、改建、扩建的项目,必须由环保部门进行专项环境影响评估,经评估可行的方可进行建设。
(二)城市轨道交通站点应当符合以下要求:
1、轨道交通站点设计应当考虑地下、地上空间的综合利用,兼顾行人过街功能,且设置无障碍设施;兼顾行人过街功能的通道不得封闭。
2、轨道交通站点相邻用地上的建筑应当与站点出入口或通道相衔接,并预留其用地。
3、轨道交通站点周边用地的规划与建设,应当充分考虑轨道交通与其他交通方式的接驳,控制与轨道交通车站衔接的公共汽车电车首末站、中途站、枢纽站用地。
(三)轨道交通出入口和风亭应当布置在城市道路红线以外,风亭应当结合邻近绿化或拟建建筑物设计和建设,出入口应当预留足够的疏散空间。
第五十条(其他交通设施)
其他交通设施的建设应当符合下列规定:
(一)城市客(货)运站场、公交首末站、枢纽站应当进行环境影响评价和交通影响评估并根据评估意见完善交通设施。城市客运站场、公交首末站、枢纽站同时应按照《江门市市区城市公共交通专项规划》的规定执行。
(二)城乡规划确定需要配置公交站场的居住区或者居住小区、大型工程项目(商住区、工业区、旅游景点、文化娱乐场所、体育场),应当按照城乡规划要求进行配置,并且应当做好周边的交通组织和环保等措施。
(三)公交首、末站设置原则上应当设置在城市道路以外的独立用地上。公交港湾式停靠站有条件的,设置在行人过街设施附近。
(四)建设高速公路、城市快速路应当将配套设施纳入路位选线方案一并编制建设工程设计方案。
第五十一条(市政公用设施与管线工程建设规定)
需要独立建设用地的市政公用设施及管线工程,应当按规划控制建设用地黄线,其他建设项目不得占用其用地。建设项目的配套市政设施应当与主体建设工程同步设计、审查和建设。
第五十二条(市政公用设施选址要求)
市政公用设施选址应当符合以下要求:
(一)城市规划建设区应严格限制建设液化石油气储配站、单位(不含管道燃气公司)自用燃气场站,并按 《燃气专项规划》,预留并控制燃气场站 、汽车加气站、瓶装气供应站用地。
(二)主城区内不得新建一级加油站、一级液化石油气加气站和一级加油加气合建站。新建的加油站、加气站、车辆清洗站宜采取合建方式集中设置,设施构筑物防护距离应当符合国家相关规范要求。
(三)新建加油站、加气站、垃圾转运站等市政公用设施,其用地应当在城市道路交叉口50米以外设置。
(四)城市快速路、主干路临路及公共设施集中区域不宜设置垃圾转运站、环卫车辆停保场。
(五)沿道路设置的配电柜、通信接入机房等小型构筑物应当结合沿街绿地及建筑布置。
第五十三条(管线工程)
(一)管线工程的建设应当符合国家、省、市关于管线综合建设的相关规范规定实施。
(二)各类管线工程应采用地下埋设。核心城区内禁止新建架空的通信、110千伏(含)以下电力及其他市政线路,现有架空线改造时应当结合道路改建逐步下地埋设。
(三)在《江门市城市总体规划》及相关专项规划确定的分流制地区,新建区应采用分流制,最终实现雨、污分流的目标;旧城区逐步将现状的合流制系统改造为截流式合流制系统。
第五十四条(市政公用设施工程)
垃圾收运、固体废物处理、污水处理和变电站等市政公用设施的用地和规划控制指标,应当根据上层次城乡规划和有关技术规范的要求,在控制性详细规划中予以明确。因城市建设发展需要须增设上述市政公用设施时,应当进行环境影响评价等专项论证,并按照法定程序调整控制性详细规划。
第五十五条 消防设施要求
消防站分为普通消防站和特勤消防站。消防站、市政消火栓设置应按《江门市消防专项规划》的规定执行。
第四节 村镇建设
第五十六条(镇建设)
村镇建设应编制村镇规划。村民住宅应按编制的村庄建设规划实施。鼓励农村建设公寓式村民住宅,特殊情况建低层村民住宅的,每户宅基地面积控制在100平方米以内,建筑面积宜控制在300平方米以内,高度控制在10.8米以内(不计楼梯间局部突出部分)。非公寓式村民住宅建设技术标准按照附录三《关于村民住宅建设控制的规定》执行。
在村庄规划区内进行公寓式住宅、村镇企业、村公共设施和公益事业建设的,按照本章的前三节规定要求执行。
第五节 规划验收
第五十七条(竣工验收和核发建设工程竣工验收合格通知书)
(一)建设工程竣工验收前,城乡规划主管部门要按照规定对建设工程是否按照建设工程规划许可证及其附件、附图确定的内容进行建设施工现场审核,对于符合规划许可内容要求的,发给建设工程竣工验收合格通知书。
(二)建设单位申请规划验收前,应当委托具有城市规划测绘资格的单位对建设工程进行规划验收测量,出具规划验收测量报告书。报告书主要内容详附件三《规划验收测量报告内容》
(三)建设工程应当符合以下验收条件:
1、建筑工程已经完成土建工程和外墙装修,并且符合建设工程规划许可要求;如果有违法建设,违法建设应当经过处理并已按处理决定执行。
2、建设单位已经按照建设时序要求实施了相应配套的市政基础设施(包括水、电、气、通信、电视等)和公共服务设施(包括附属用房)的建设且满足设施接管部门的要求。
3、建筑工程周边环境(包括道路、绿化、室外地坪标高、夜间景观照明、无障碍设施等)已经按规划要求实施建设。
4、施工场地已清理完毕,施工用房、施工排栅已拆除,按规划许可要求需拆除的围墙、旧建筑等已经拆除,损坏的市政公用设施已修复完毕。
5、室外抽风机、空调设备、户外防护设施等均按照规范设置。
6、符合其他特定条件要求。
(四)同一幢建筑物由两个或两个以上的《建设工程规划许可证》许可建设,可在该幢建筑物已按规划批准要求满足基本使用要求后申请规划验收,且按照《建设工程规划许可证》许可范围进行验收。
第四章 规划修改
第五十八条(规划修改的原则要求)
经批准的城乡规划不得随意修改。依法需要修改的,城乡规划主管部门应当组织对规划实施情况进行评估,并向原审批机关提出申请,获得批准后方可开展修改工作。修改的程序内容应按《中华人民共和国城乡规划法》、《 城市、镇控制性详细规划编制审批办法》、《广东省城市控制性详细管理条例》等法律法规的规定执行。
(一)城市总体规划、镇总体规划修改涉及城市总体规划、镇总体规划强制性内容的,应当先向原审批机关提出专题报告,经同意后,方可编制修改方案。
(二)控制性详细规划修改涉及城市总体规划、镇总体规划强制性内容的,应当先修改总体规划。
(三)修建性详细规划、建设工程设计方案总平面图的修改:
1、涉及控制性详细规划强制性内容的,应当先修改控制性详细规划。
2、涉及修建性详细规划图合理微调,只改面积数据、标注文字,不改建筑布局或缩小间距的,经城乡规划主管部门技术审查会审定同意后可直接在原批规划图上标注,无需按原申报程序重新申报调整修建性详细规划。
3、凡工业用地报修建性详细规划时涉及增加容积率的,须在申请书中说明并提出增容申请,经城乡规划主管部门技术审查会审定同意调整的,由城乡规划主管部门出具批复文件并抄送国土主管部门。
4、凡涉及已批修建性详细规划中道路红线补充,与其它规划及利益没有矛盾的,可经简易程序执行,不需城乡规划主管部门技术审查会审定。简易程序为:由城乡规划主管部门主管科室审定后报主管局领导签字,进行城乡规划系统红线图层入库后依法实施。
5、凡涉及他人利益的应当听取利害人意见或进行修改方案公示,征求公众意见。
第五章 监督检查与法律责任
第五十九条(违法建设认定、查处程序的法律适用与界定)
违法建设按照实施违法建设行为时的法律、法规、规章、政策进行认定;违法建设行为时间跨越两部或两部以上法律、法规、规章、政策的,按照上位法优于下位法、特别法优于一般法、新法优于旧法的原则进行认定。
违法建设查处程序按照查处时的法律、法规、规章执行。
违法建设影响城乡规划的程度按照查处时的城乡规划予以认定。
第六十条(法律责任)
违法行为与违法建设具体法律责任根据《中华人民共和国城乡规划法》、《广东省城乡规划条例》第六章“法律责任”相关规定以及有关法律、法规执行。
第六章 档案管理
第六十一条(档案管理)
城乡规划主管部门设立规划档案室,依法存储城乡规划、建设资料,按照政府信息公开要求依法向公民、法人和其他组织提供档案查询服务。依法存储的城乡规划建设档案具有法定凭证效力。
档案室管理应符合国家相关要求,建立统一数字资料库,实现资源共享。市城乡规划局接受移交档案或借阅档案均须符合《江门市城乡规划局规划技术档案交接制度》及《江门市城乡规划局规划技术档案借阅制度》要求,其他区级城乡规划主管部门参照市局制度执行。
第六十二条(竣工验收资料档案建设)
建设工程竣工验收后6个月内,建设单位或个人应向建设工程所在地的城乡规划主管部门报送竣工验收资料,包括竣工图纸和必要的有关材料,以便城乡规划主管部门建立完整、准确、系统、可靠的城镇建设档案。
建设单位未在建设工程竣工验收后6个月内向城乡规划主管部门报送有关竣工验收资料的,应根据《城乡规划法》第六十七条规定建设单位或个人承担相应的法律责任。
第七章 附则
第六十三条(术语解释)
本规定中部分术语解释如下:
(一)“市区范围” 是指《江门市城市总体规划(2011-2020)》确定的蓬江区、江海区、新会区三区的行政区划范围,包括13镇、12个街道办事处。全境约1818平方公里。
“主城区范围”是指《江门市城市总体规划(2011-2020)》确定的蓬江区、江海区和新会区的会城街道办的行政区划范围。主城区土地面积为566平方公里。
(二)“用地兼容”是指在规划编制和实施阶段,对不同类别性质用地进行合理选择、调配的规定。
(三)“规划用地红线”是指各类建筑工程项目用地的使用权属范围的边界线。
(四)“容积率”是指建设用地内计算容积率的建筑面积与可建设用地面积的比值。
(五)“建筑密度”是指建设用地内所有建筑物地上计算建筑面积部分的水平投影总面积与建设项目可建设用地面积的比值。
(六)“塔楼密度”是指建设用地内所有高层建筑物地上计算建筑面积部分的水平投影总面积与建设项目可建设用地面积的比值。
(七)“建筑面积”是指建(构)筑物外墙(柱)勒脚以上各层外围结构面水平投影面积,包括主要功能空间、附属功能空间和墙体结构的面积,不包括外墙结构面以外装饰面层部分面积。
(八)“建筑间距”是指两幢建(构)筑物外墙勒脚以上外墙结构面之间的水平距离。
(九)“低、多层居住建筑”是指10层以下(不含10层)的居住建筑;“高层居住建筑”是指10层及10层以上的居住建筑。“低、多层民用非居住建筑”是指建筑高度不大于24米(含24米)的民用非居住建筑;“高层民用非居住建筑”是指建筑高度大于24米的非居住建筑。
(十)“塔式建筑”是指各立面高宽比均大于3∶2的建筑;“板式建筑”是指非塔式建筑的其他建筑。两幢塔式建筑连体布置的,按照板式建筑有关规定执行。
(十一)“南北向”建筑是指建筑正南北向布置或者南偏东(西)45度以内(含45度)布置;“东西向”建筑是指建筑正东西向布置或者东(西)偏南45度以内(不含45度)布置。建筑开窗面积较多的朝向为主朝向。
(十二)“遮挡”是指相邻建筑的阳光遮挡关系,位于南面或者东面的建筑称作遮挡建筑,位于北面或者西面的建筑称作被遮挡建筑。
(十三) “建筑高度”一般指室外自然地坪计算至天面附属建(构)筑物顶的垂直高度。因机场、气象、通讯、军事设施等保护有净空高度限制时,建筑高度应计至天面附属构筑物顶点;计算建筑间距时,建筑高度应从被遮挡建筑首层地坪计至遮挡建筑女儿墙顶或檐口。
(十四)“绿地率”是指城市一定地区内各类绿化用地总面积占该地区总面积的比值。
(十五)“建筑退让”是指是指建筑物外侧垂直投影线距道路红线或规划用地红线的距离。本条规定后退规划道路红线距离从建筑物底层凸出外墙起算,外挑部分垂直投影线超出底层凸出外墙的,按外挑部分的垂直投影线起算。
(十六)“非公寓式住宅”是指有独立用地,垂直交通一家独用,独立或联排布置的低层住宅。
(十七)“主干路”指《江门市综合交通一体化规划》或其它规划中没有明确的, 40米以上的城市道路(含40米),已确定的则根据交通规划或其它已编制规划确定。
(十八)“次干路”指《江门市综合交通一体化规划》或其它规划中没有明确的,24米至40米城市道路(含24米,不含40米),已确定的则根据交通规划或其它已编制规划确定。
(十九)“城市支路”指《江门市综合交通一体化规划》或其它规划中没有明确的,24米以下城市道路(不含24米2,已确定的则根据交通规划或其它已编制规划确定。
第六十四条(施行时间)
本规定江门市主城区范围内自2013年5月1日起施行,主城区范围外的新会区各镇应逐步按本规定执行。
附件一 用地规划许可需提供材料表
用地规划许可需提供材料表
一、建设用地规划许可证核发、申领规划设计条件需提供材料
1、协议出让土地
(1)申请表及申请书(原件各1份):①如属单位申请,应加盖公章;②如属个人申请,应签名并提供身份证复印件(核原件);③项目用地存在两个或两个以上权利人的,应共同申请;
(2)《建设项目选址意见书》及附图(复印件1份,核原件);
(3)国土部门批复文件(复印件1份,核原件;用地红线电子文件1份)
①《建设项目用地预审报告书》和勘界资料(新办项目提供);
②《国有土地使用证》或《建设用地批准书》(补办项目提供);
(4)符合规划审批要求的现状地形图1份及电子地形图1份;图纸比例1:500或1:1000;
(5)用地建设计划或初步建设方案;
(6)规划要求提供的其他资料。
2 、公开出让土地(含招标、拍卖、挂牌方式)
(1)申请表及申请书(原件各1份):①如属单位申请,应加盖公章;②如属个人申请,应签名并提供身份证复印件(核原件);③项目用地存在两个或两个以上权利人的,应共同申请;
(2)《国有土地使用权出让合同书》及附图(复印件1份,核原件);
(3)符合规划审批要求的现状地形图1份及电子地形图1份;图纸比例1:500或1:1000;
(4)用地建设计划或初步建设方案;
(5)规划要求提供的其他资料。
二、建设项目修建性详细规划审定需提供材料
1、修建性详细规划核准 (1)申请表及申请书(原件各1份):①如属单位申请,应加盖公章;②如属个人申请,应签名并提供身份证复印件(核原件);③项目用地存在两个或两个以上权利人的,应共同申请; (2)设计单位资质证书(复印件); (3)原批准的规划设计条件和红线图(复印件1份,核原件); (4)符合规划报批要求的建设项目规划总平面图等、说明书及符合电子报审要求的电子文件各1份; (5)非首轮报送方案审定的,需提交上一轮的审查意见书复印件及相关图纸; (6)规划设计条件或审查意见书要求提供的其他有关图件(四图一书、设计模型、鸟瞰图或轴测图、现状照片); (7)规划要求提供的其他资料。 2、修建性详细规划调整 (1)申请表及申请书(原件各1份):①如属单位申请,应加盖公章;②如属个人申请,应签名并提供身份证复印件(核原件);③项目用地存在两个或两个以上权利人的,应共同申请; (2)原批准的规划图纸及批复文件; (3)修改后的符合规划报批要求的规划方案图、说明书及电子文件各1份。 三、《建设用地规划许可证》的更名、续期、补办及建设用地规划性质变更需提供材料 1、申请表及申请书(原件各1份):(1)如属单位申请,应加盖公章;(2)如属个人申请,应签名并提供身份证复印件(核原件);(3)项目用地存在两个或两个以上权利人的,应共同申请; 2、国土部门原批准文件及项目用地勘界资料(复印件1份,核原件;用地红线电子文件1份); 3、符合规划审批要求的现状地形图1份及电子地形图1份;图纸比例1:500或1:1000; 4、《建设用地规划许可证》更名的,须提供具有法律效力的更名公证文件; 5、项目建设意向方案; 6、规划要求提供的其他资料。 |
附件二 建设工程规划许可需提供材料表
建设工程规划许可需提供材料表
一、建设工程设计方案审定(含临时建筑、室外装修、雕塑、建筑小品项目规划审核)需提供材料
1、设计方案送审申请表及申请书各一份;
2、修建性详细规划图原件及其批复文件的影印件1份,以及反映周围环境的照片一张;
3、非首轮报送方案审定的,需提交上一轮的复函及相关图纸;
4、设计方案图:
(1)、临30米以上道路的建筑物需报送由不同设计单位设计的至少两套方案图,每套方案图一式两份(其中一份折叠为A4图幅大小)及彩色透视图;
(2)、大型或重要的公建、构筑物、高层建筑需报送由不同设计单位设计的至少两套方案图,每套方案图一式十七份(其中一份折叠为A4图幅大小)及彩色透视图或建筑模型;
(3)、以上(1)、(2)以外的建筑物报送一式两份(其中一份折叠为A4图幅大小)方案图;
(4)、设计方案建筑部分的电子文件(含彩色透视图)。
5、电子图件1套;
二、核发建设工程规划许可证(施工图审查阶段)需提供材料
1、施工图送审申请表及申请书各一份。
2、市计划部门当年批复的项目批准文件一份。
3、市国土部门批复的国有土地使用证及附图影印件各一份(送审时须向收件人员出示原件)。
4、修建性详细规划图原件及其批复文件的影印件各一份。
5、已批准的管线综合图、绿化园林小品布置图原件各一份。
6、已批准的设计方案图原件一份。
7、非首轮报送施工图核准的,需提交上一轮的复函及相关图纸;
8、建筑施工图三份(其中一份折叠为A4图幅大小)。
9、已办理减免或抵顶城市基础设施配套费的,提供相关文件的影印件。
10、施工图建筑部分的电子文件。
附件三:规划验收测量报告内容
规划验收测量报告主要包括内容是:
1、现状地形图及竖向标高。
2、平面位置关系图,包括相邻建筑的建筑间距和临用地红线的建筑退让道路、河涌、绿线、铁路、架空电力线和用地红线的距离。
3、用地范围内的总建设规模。
4、每幢建筑物总高度和每层高度。
5、独立用地的公共服务设施的用地面积。
6、道路宽度。
7、绿地面积。
8、停车位个数。
9、地下管线内容按照附件五《关于加强市区地下管线规划管理的意见(试行)》规定执行。
10、竣工图现场核对情况。
11、城乡规划主管部门要求的其他内容。